²úÆ·¼ò½é£º¸¡±êË®Öʼà²âÕ¾¼¯Êý¾ÝÊÕÂÞ¡¢´æ´¢¡¢´«ÊäºÍ¹ÜÀíÓÚÒ»ÌåµÄÎÞÈËÖµÊØµÄÊÕÂÞϵͳ
1.Ë®Öʸ¡Æ¯¼à²âÕ¾SFA¼¯Êý¾ÝÊÕÂÞ¡¢´æ´¢¡¢´«ÊäºÍ¹ÜÀíÓÚÒ»ÌåµÄÎÞÈËÖµÊØµÄÊÕÂÞϵͳ¡£¡£¡£¡£¡£¡£¡£¡£ËüÔÚ¹¤Å©ÒµÉú²ú¡¢ÂÃÓΡ¢¶¼»áÇéÐμà²â¡¢µØÖÊÔÖÄÑ¡¢·Àºé¡¢¹©Ë®µ÷Àí¡¢µçվˮ¿âË®Çé¹ÜÀíµÈΪĿµÄË®ÎÄ×Ô¶¯²â±¨ÏµÍ³£»£»£»£»£»£»£»£»¹¦Ð§Ç¿Ê¢µÄÉÏλ»úÈí¼þ¿ÉÔ¶³ÌÊÓ²ìʵʱˮÓêÇéÐÅÏ¢£¬£¬£¬£¬£¬£¬¾ßÓÐÊý¾Ý¿â¡¢±¨±í¡¢ÏÂÔØµÈ¹¦Ð§£¬£¬£¬£¬£¬£¬Óû§»¹¿ÉʹÓøù¦Ð§ÍêÉÆµÄÆøÏóÈí¼þ¶Ô¼Í¼µÄÊý¾Ý×÷½øÒ»²½µÄ´¦Öóͷ£ÆÊÎö¡£¡£¡£¡£¡£¡£¡£¡£
2.Ë®Öʼà²âϵͳÏêϸÓÉË®ÖÊ´«¸ÐÆ÷¡¢Êý¾ÝÊÕÂÞÒÇ¡¢Í¨Ñ¶ÏµÍ³¡¢¹©µçϵͳ¡¢ÕûÌå Ö§¼Ü¡¢Ë®Öʼà²âƽ̨Áù²¿·Ö×é³É¡£¡£¡£¡£¡£¡£¡£¡£¿£¿£¿£¿£¿£¿£¿£¿Éͬʱ¼à²âˮΡ¢PH¡¢ÏûÈÚÑõ¡¢µçµ¼ÂÊ¡¢°±µª¡¢ ×Ƕȡ¢CODµÈ£¬£¬£¬£¬£¬£¬¶àÏîË®ÖÊÒªËØ¡£¡£¡£¡£¡£¡£¡£¡£Êý¾ÝÊÕÂÞÒǾßÓÐÊý ¾ÝÊÕÂÞ¡¢ÊµÊ±Ê±ÖÓ¡¢Êý¾Ý׼ʱ´æ´¢¡¢²ÎÊýÉ趨ºÍ±ê×¼2G/4G£¨GPRS£©Í¨Ñ¶¹¦Ð§¡£¡£¡£¡£¡£¡£¡£¡£
¶þ¡¢²úÆ·ÌØµã
1.Ò×°²ÅÅ£ºÖÖÖÖÐÍ̽ͷ¾ÙÐи߶ȼ¯³É£¬£¬£¬£¬£¬£¬×°ÖÃÀû±ã£»£»£»£»£»£»£»£»ÌṩÃâ·ÑÔÆÆ½Ì¨·þÎñ£¬£¬£¬£¬£¬£¬ÏµÍ³¿ìËÙÉÏÏߣ»£»£»£»£»£»£»£»
2.Ò×ά»¤£º×°±¸×°Öú󣬣¬£¬£¬£¬£¬×ÔÐÐÊÂÇé¼´¿É£¬£¬£¬£¬£¬£¬ÎÞÐèÈ˹¤ÖµÊØ£¬£¬£¬£¬£¬£¬Ò²¿ÉÒÔͨ¹ýÔ¶³Ì¼à¿ØµÄ·½·¨°ü¹Ü×°±¸µÄÕý³£ÔËÐУ»£»£»£»£»£»£»£»
3.Ò×À©Õ¹£º´«¸ÐÆ÷̽ͷ¾ùʹÓÃͳһµÄͨѶÐÒ飬£¬£¬£¬£¬£¬¿ÉÒÔ¿ìËÙ¶Ô½ÓÔ×°±¸£¬£¬£¬£¬£¬£¬¿ìËÙÀ©Õ¹¼à²â²ÎÊý£»£»£»£»£»£»£»£»
4.µÍ¹¦ºÄ£º×°±¸¿ÉÒÔʵÏֵ͹¦ºÄ״̬Ï£¬£¬£¬£¬£¬£¬³¤Ê±¼äÔËÐУ¬£¬£¬£¬£¬£¬ÔöÌí×°±¸Ê¹Óõı㵱ÐÔ£»£»£»£»£»£»£»£»
5.ʵʱÐÔ£º×°±¸¼à²âµ½µÄÊý¾Ýʵʱ´«ÊäÖÁÔÆÆ½Ì¨£¬£¬£¬£¬£¬£¬ÌáÉýÇéÐÎÊý¾Ý·´ÏìµÄʵʱÐÔ¡£¡£¡£¡£¡£¡£¡£¡£
Èý¡¢ÊÖÒÕ²ÎÊý
1. Ö÷Ìå²ÎÊý
| ²úÆ·Ãû³Æ | ÐÎò |
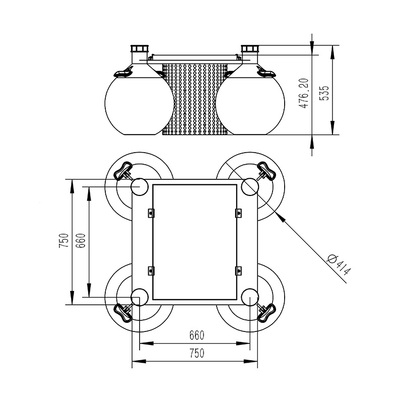
| ÇéÐÎË®Öʼà²â¸¡±ê | ¿ÉʵʱʵÏÖ¶à·²ÎÊýÔÚÏß¼à²â¡£¡£¡£¡£¡£¡£¡£¡£¿£¿£¿£¿£¿£¿£¿£¿ÉʵÏÖµç³ØµçÁ¿¼à¿Ø¡£¡£¡£¡£¡£¡£¡£¡£¿£¿£¿£¿£¿£¿£¿£¿ÉʵÏÖÔÆÆ½Ì¨Êý¾Ý¼à¿Ø¡¢Êý¾ÝÍÆËÍ¡¢Êý¾ÝµÄ´æ´¢ºÍ±¨¾¯¹¦Ð§£»£»£»£»£»£»£»£»Êý¾ÝµÄÎÞÏß·¢É书Ч¡£¡£¡£¡£¡£¡£¡£¡£·åÖµ¹¦ºÄΪ 5W£»£»£»£»£»£»£»£»´«¸ÐÆ÷¹¦ºÄ 0.25W×óÓÒ/Ö»¡£¡£¡£¡£¡£¡£¡£¡£ÐÎ×´³ß´ç£º750mm*750mm*535mm¡£¡£¡£¡£¡£¡£¡£¡£¸¡ÇòÖ±¾¶414mmÖØÁ¿£º22kg |
| ÊÕÂÞÆ÷Êý¾ÝÊÕÂÞ | ÔËÐпɿ¿£¬£¬£¬£¬£¬£¬¿¹×ÌÈÅ£¬£¬£¬£¬£¬£¬¿É¼¯³É¶à·RS485/MODBUS-RTU´ÓÕ¾×°±¸ |
| ÊÕÂÞÆ÷Êý¾ÝÊä³ö | 1 · Rs485/JSONÐÒéÊä³ö |
| µç³Ø | ï®µç³Ø 12VDC£¬£¬£¬£¬£¬£¬20AH£¨Ä¬ÈÏ£© |
| Ì«ÑôÄÜµç³Ø°å | 22.1V/50W£¨Ä¬ÈÏ£© |
| ¹©µçÄÜÁ¦ | ¶¨ÖÆÑ¡ÐÍ£»£»£»£»£»£»£»£»ÒõÓêÌì¼äЪÊÂÇé 5ÌìÒÔÉÏ |
| λÖÃָʾ£¨Ñ¡Å䣩 | ¾¯Ê¾µÆ£»£»£»£»£»£»£»£»GPS ¶¨Î»£»£»£»£»£»£»£»£» |
| ¼à²âƽ̨ | ÔÆÆ½Ì¨£»£»£»£»£»£»£»£»ÊÖ»ú/µçÄÔ¶àÖն˵Ǽ |
| ·À»¤ÕÖ | 304 ²»Ðâ¸ÖÂËͲ·À»¤ÕÖ |
| ¸¡Ìå | Ö±¾¶414mm ÇòÐθ¡Ìå*4¹¤³ÌËÜÁÏ |
2.¿ÉÑ¡Åä´«¸ÐÆ÷µÄÖ÷Òª²ÎÊý
| ÐòºÅ | ´«¸ÐÆ÷ÀàÐÍ | ÕÉÁ¿¹æÄ£ | ÕÉÁ¿ÔÀí | ÕÉÁ¿¾«¶È |
| 1 | ÎÂ¶È | 0~50¡æ | ¸ß¾«¶ÈÊý×Ö´«¸ÐÆ÷ | ¡À0.3¡æ |
| 2 | pH | 0~14£¨ph£© | µç»¯Ñ§£¨ÑÎÇÅ£© | ¡À 0.1PH |
| 3 | ÏûÈÚÑõ | 0~20mg/L | Ó«¹âÊÙÃü·¨ | ¡À 2% |
| 4 | µçµ¼ÂÊ | 0~5000uS/cm | ½Ó´¥Ê½µç¼«·¨ | ¡À 1.5% |
| 5 | ×Ç¶È | 0~40NTU£¨Ñ¡Å䣩 | É¢Éä¹â·¨ | ¡À 1% |
| 6 | ORP | -1500mv~1500mv | µç»¯Ñ§£¨ÑÎÇÅ£© | ¡À 6mv |
| 7 | ï§Àë×Ó | 1-100mg/l | Àë×ÓÑ¡Ôñµç¼«·¨ | ¡À 5mg |
¿Éƾ֤¿Í»§µÄÏÖÕæÏàÐμ°ËùÒªµÖ´ïµÄÊÖÒÕÖ¸±ê¶¨ÖƺÏÊʵļì²â¼Æ»®
×¢ÖØ£º ´«¸ÐÆ÷×°ÖÃʱ²»¿Éµ¹ÖûòÕßˮƽװÖ㬣¬£¬£¬£¬£¬ ÖÁÉÙÇãб 15 ¶È½ÇÒÔÉÏ×°ÖÃ,
ÒÔÉÏË®ÖÊ´«¸ÐÆ÷ÊÂÇéÇéÐÎ0-50¡æ£¬£¬£¬£¬£¬£¬<0.3Mpa¡£¡£¡£¡£¡£¡£¡£¡£
ËÄ¡¢²úÆ·³ß´çͼ

Îå¡¢×°±¸×°ÖÃÒªÇó
1.Ô¶Àë´ó¹¦ÂÊÎÞÏߵ緢ÉäÔ´
2.Ô¶Àë¸ßѹÊäµçÏߺÍ΢²¨ÎÞÏߵ紫ËÍͨµÀ
3.Ö»¹Ü¿¿½üÊý¾Ý´«ÊäÍøÂç
4.Ô¶ÀëÇ¿µç´Å×ÌÈÅ