²úÆ·¼ò½é£ºÆ¯¸¡Ê½Ë®ÖÊ×Ô¶¯¼à²âÕ¾SFA¼¯Êý¾ÝÊÕÂÞ¡¢´æ´¢¡¢´«ÊäºÍ¹ÜÀíÓÚÒ»ÌåµÄÎÞÈËÖµÊØµÄÊÕÂÞϵͳ¡£¡£¡£¡£¡£¡£¡£¡£
Ò»¡¢²úÆ·¼ò½é
1.Ë®Öʸ¡Æ¯¼à²âÕ¾SFA¼¯Êý¾ÝÊÕÂÞ¡¢´æ´¢¡¢´«ÊäºÍ¹ÜÀíÓÚÒ»ÌåµÄÎÞÈËÖµÊØµÄÊÕÂÞϵͳ¡£¡£¡£¡£¡£¡£¡£¡£ËüÔÚ¹¤Å©ÒµÉú²ú¡¢ÂÃÓΡ¢¶¼»áÇéÐμà²â¡¢µØÖÊÔÖÄÑ¡¢·Àºé¡¢¹©Ë®µ÷Àí¡¢µçվˮ¿âË®Çé¹ÜÀíµÈΪĿµÄË®ÎÄ×Ô¶¯²â±¨ÏµÍ³£»£»£»£»£»¹¦Ð§Ç¿Ê¢µÄÉÏλ»úÈí¼þ¿ÉÔ¶³ÌÊÓ²ìʵʱˮÓêÇéÐÅÏ¢£¬£¬£¬£¬£¬£¬£¬£¬¾ßÓÐÊý¾Ý¿â¡¢±¨±í¡¢ÏÂÔØµÈ¹¦Ð§£¬£¬£¬£¬£¬£¬£¬£¬Óû§»¹¿ÉʹÓøù¦Ð§ÍêÉÆµÄÆøÏóÈí¼þ¶Ô¼Í¼µÄÊý¾Ý×÷½øÒ»²½µÄ´¦Öóͷ£ÆÊÎö¡£¡£¡£¡£¡£¡£¡£¡£
2.SFA06¿î¸¡±êÊÇÓÉË®ÖÊ´«¸ÐÆ÷£¨Ë®Î¡¢µçµ¼ÂÊ¡¢PH¡¢ÏûÈÚÑõ¡¢°±µª¡¢×Ƕȣ©¡¢Êý¾ÝÊÕÂÞÒÇ¡¢Í¨Ñ¶ÏµÍ³¡¢¹©µçϵͳ¡¢ÕûÌå Ö§¼Ü¡¢Ë®Öʼà²âƽ̨Áù²¿·Ö×é³É¡£¡£¡£¡£¡£¡£¡£¡£Í¬Ê±¿ÉÀ©Õ¹COD¡¢Ò¶ÂÌËØ¡¢Ðü¸¡ÎïµÈ¶àÏîË®ÖÊÒªËØ¡£¡£¡£¡£¡£¡£¡£¡£Êý¾ÝÊÕÂÞÒǾßÓÐÊý ¾ÝÊÕÂÞ¡¢ÊµÊ±Ê±ÖÓ¡¢Êý¾Ý׼ʱ´æ´¢¡¢²ÎÊýÉ趨ºÍ±ê×¼2G/4G£¨GPRS£©Í¨Ñ¶¹¦Ð§¡£¡£¡£¡£¡£¡£¡£¡£
¶þ¡¢²úÆ·ÌØµã
1.Ò×°²ÅÅ£ºÖÖÖÖÐÍ̽ͷ¾ÙÐи߶ȼ¯³É£¬£¬£¬£¬£¬£¬£¬£¬×°ÖÃÀû±ã£»£»£»£»£»ÌṩÃâ·ÑÔÆÆ½Ì¨·þÎñ£¬£¬£¬£¬£¬£¬£¬£¬ÏµÍ³¿ìËÙÉÏÏߣ»£»£»£»£»
2.Ò×ά»¤£º×°±¸×°Öú󣬣¬£¬£¬£¬£¬£¬£¬×ÔÐÐÊÂÇé¼´¿É£¬£¬£¬£¬£¬£¬£¬£¬ÎÞÐèÈ˹¤ÖµÊØ£¬£¬£¬£¬£¬£¬£¬£¬Ò²¿ÉÒÔͨ¹ýÔ¶³Ì¼à¿ØµÄ·½·¨°ü¹Ü×°±¸µÄÕý³£ÔËÐУ»£»£»£»£»
3.Ò×À©Õ¹£º´«¸ÐÆ÷̽ͷ¾ùʹÓÃͳһµÄͨѶÐÒ飬£¬£¬£¬£¬£¬£¬£¬¿ÉÒÔ¿ìËÙ¶Ô½ÓÔ×°±¸£¬£¬£¬£¬£¬£¬£¬£¬¿ìËÙÀ©Õ¹¼à²â²ÎÊý£»£»£»£»£»
4.µÍ¹¦ºÄ£º×°±¸¿ÉÒÔʵÏֵ͹¦ºÄ״̬Ï£¬£¬£¬£¬£¬£¬£¬£¬³¤Ê±¼äÔËÐУ¬£¬£¬£¬£¬£¬£¬£¬ÔöÌí×°±¸Ê¹Óõı㵱ÐÔ£»£»£»£»£»
5.ʵʱÐÔ£º×°±¸¼à²âµ½µÄÊý¾Ýʵʱ´«ÊäÖÁÔÆÆ½Ì¨£¬£¬£¬£¬£¬£¬£¬£¬ÌáÉýÇéÐÎÊý¾Ý·´ÏìµÄʵʱÐÔ¡£¡£¡£¡£¡£¡£¡£¡£
Èý¡¢ÊÖÒÕ²ÎÊý
1. Ö÷Ìå²ÎÊý
| ²úÆ·Ãû³Æ | ÐÎò |
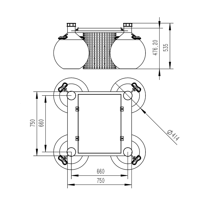
| ÇéÐÎË®Öʼà²â¸¡±ê | ¿ÉʵʱʵÏÖ¶à·²ÎÊýÔÚÏß¼à²â¡£¡£¡£¡£¡£¡£¡£¡£¿£¿£¿£¿£¿ÉʵÏÖµç³ØµçÁ¿¼à¿Ø¡£¡£¡£¡£¡£¡£¡£¡£¿£¿£¿£¿£¿ÉʵÏÖÔÆÆ½Ì¨Êý¾Ý¼à¿Ø¡¢Êý¾ÝÍÆËÍ¡¢Êý¾ÝµÄ´æ´¢ºÍ±¨¾¯¹¦Ð§£»£»£»£»£»Êý¾ÝµÄÎÞÏß·¢É书Ч¡£¡£¡£¡£¡£¡£¡£¡£·åÖµ¹¦ºÄΪ 5W£»£»£»£»£»´«¸ÐÆ÷¹¦ºÄ 0.25W×óÓÒ/Ö»¡£¡£¡£¡£¡£¡£¡£¡£ÐÎ×´³ß´ç£º750mm*750mm*535mm¡£¡£¡£¡£¡£¡£¡£¡£¸¡ÇòÖ±¾¶414mmÖØÁ¿£º22kg |
| ÊÕÂÞÆ÷Êý¾ÝÊÕÂÞ | ÔËÐпɿ¿£¬£¬£¬£¬£¬£¬£¬£¬¿¹×ÌÈÅ£¬£¬£¬£¬£¬£¬£¬£¬¿É¼¯³É¶à·RS485/MODBUS-RTU´ÓÕ¾×°±¸ |
| ÊÕÂÞÆ÷Êý¾ÝÊä³ö | 1 · Rs485/JSONÐÒéÊä³ö |
| µç³Ø | ï®µç³Ø 12VDC£¬£¬£¬£¬£¬£¬£¬£¬20AH£¨Ä¬ÈÏ£© |
| Ì«ÑôÄÜµç³Ø°å | 22.1V/50W£¨Ä¬ÈÏ£© |
| ¹©µçÄÜÁ¦ | ¶¨ÖÆÑ¡ÐÍ£»£»£»£»£»ÒõÓêÌì¼äЪÊÂÇé 5ÌìÒÔÉÏ |
| λÖÃָʾ£¨Ñ¡Å䣩 | ¾¯Ê¾µÆ£»£»£»£»£»GPS ¶¨Î»£»£»£»£»£» |
| ¼à²âƽ̨ | ÔÆÆ½Ì¨£»£»£»£»£»ÊÖ»ú/µçÄÔ¶àÖն˵Ǽ |
| ·À»¤ÕÖ | 304 ²»Ðâ¸ÖÂËͲ·À»¤ÕÖ |
| ¸¡Ìå | Ö±¾¶414mm ÇòÐθ¡Ìå*4¹¤³ÌËÜÁÏ |
2.¿ÉÑ¡Åä´«¸ÐÆ÷µÄÖ÷Òª²ÎÊý
| ÐòºÅ | Ãû³Æ | ÕÉÁ¿¹æÄ£ | ÕÉÁ¿ÔÀí | ÕÉÁ¿¾«¶È | ÊÇ·ñ±êÅä | ±¸×¢ |
| 1 | ÎÂ¶È | 0~50¡æ | ¸ß¾«¶ÈÊý×Ö´«¸ÐÆ÷ | ¡À0.3¡æ | ? | |
| 2 | pH | 0~14£¨ph£© | µç»¯Ñ§£¨ÑÎÇÅ£© | ¡À 0.1PH | ? | |
| 3 | ORP | -1500mv~1500mv | µç»¯Ñ§£¨ÑÎÇÅ£© | ¡À 6mv | ||
| 4 | µçµ¼ÂÊ | 0~5000uS/cm | ½Ó´¥Ê½µç¼«·¨ | ¡À 1.5% | ? | |
| 5 | ×Ç¶È | 0~40NTU£¨µÍ×Ç£© | É¢Éä¹â·¨ | ¡À 1% | µÍ×ǿɶ¨ÖÆ | |
| 0~1000NTU£¨ÖÐ×Ç£© | É¢Éä¹â·¨ | ¡À 1% | ÖÐ×ǿɶ¨ÖÆ | |||
| 0~3000NTU£¨¸ß×Ç£© | É¢Éä¹â·¨ | ¡À 1% | ? | ĬÈÏ·¢ | ||
| 6 | ÏûÈÚÑõ | 0~20mg/L | Ó«¹âÊÙÃü·¨ | ¡À 2% | ? | |
| 7 | °±µª | 0-1000.00mg/L£¨Ä¬ÈÏ£© 0-100.00mg/l/£¨¿É¶¨ÖÆ£© | Àë×ÓÑ¡Ôñµç¼«·¨ | ¶ÁÊýµÄ10%, ¡À0.5¡æ | ? | |
| 8 | cod | 0~500mg/ L | UV254 ÎüÊÕ·¨ | ¡À5% | ĬÈÏ·¢¡¢cod×ǶÈÒ»Ì壻£»£»£»£»´øÓÐ×Ô¶¯Çå½àÆ÷£¬£¬£¬£¬£¬£¬£¬£¬¿É±ÜÃâÉúÎ︽×Å£¬£¬£¬£¬£¬£¬£¬£¬×èÖ¹¹â´°ÎÛȾ£¬£¬£¬£¬£¬£¬£¬£¬ÒÔ°ü¹Üºã¾Ã¼à²âÒÀÈ»¾ßÓÐÎȹÌÐÔ£»£»£»£»£»¿ÉÉèÖÃ×Ô¶¯Çå½àʱ¼ä¼°Çå½à´ÎÊý£¬£¬£¬£¬£¬£¬£¬£¬¹¦ºÄ0.7W | |
| ×Ç¶È | 0~400NTU | É¢Éä¹â·¨ | ¡À 1% | |||
| 9 | Ðü¸¡Îï | 0~2000mg/L | É¢Éä¹â·¨ | ¡À5%£¨È¡¾öÓÚÎÛÄàͬÖÊÐÔ£© | ||
| 10 | Ò¶ÂÌËØ | 0~400ug/L | Ó«¹â·¨ | R2>0.999 | ´øÓÐ×Ô¶¯Çå½àÆ÷£¬£¬£¬£¬£¬£¬£¬£¬¿É±ÜÃâÉúÎ︽×Å£¬£¬£¬£¬£¬£¬£¬£¬×èÖ¹¹â´°ÎÛȾ£¬£¬£¬£¬£¬£¬£¬£¬ÒÔ°ü¹Üºã¾Ã¼à²âÒÀÈ»¾ßÓÐÎȹÌÐÔ£»£»£»£»£»¿ÉÉèÖÃ×Ô¶¯Çå½àʱ¼ä¼°Çå½à´ÎÊý£¬£¬£¬£¬£¬£¬£¬£¬¹¦ºÄ0.7W |
ËÄ¡¢²úÆ·³ß´çͼ

Îå¡¢×°±¸×°ÖÃÒªÇó
1.Ô¶Àë´ó¹¦ÂÊÎÞÏߵ緢ÉäÔ´
2.Ô¶Àë¸ßѹÊäµçÏߺÍ΢²¨ÎÞÏߵ紫ËÍͨµÀ
3.Ö»¹Ü¿¿½üÊý¾Ý´«ÊäÍøÂç
4.Ô¶ÀëÇ¿µç´Å×ÌÈÅ
Áù¡¢ÔÆÆ½Ì¨ÏÈÈÝ
1.CS¼Ü¹¹Èí¼þƽ̨£¬£¬£¬£¬£¬£¬£¬£¬Ö§³ÖÊÖ»ú¡¢PCä¯ÀÀÆ÷Ö±½ÓÊÓ²ì.ÎÞÐèÌØÊâ×°ÖÃÈí¼þ¡£¡£¡£¡£¡£¡£¡£¡£
2.Ö§³Ö¶àÕʺš¢¶à×°±¸µÇ¼
3.Ö§³ÖʵʱÊý¾ÝÕ¹ÊÕ¬ëÀúÊ·Êý¾ÝչʾÒDZí°å
4.ÔÆ·þÎñÆ÷.ÔÆÊý¾Ý´æ´¢£¬£¬£¬£¬£¬£¬£¬£¬Îȹ̿ɿ¿£¬£¬£¬£¬£¬£¬£¬£¬Ò×ÓÚÀ©Õ¹£¬£¬£¬£¬£¬£¬£¬£¬¸ºÔØÆ½ºâ¡£¡£¡£¡£¡£¡£¡£¡£
5.Ö§³Ö¶ÌÐű¨¾¯¼°ãÐÖµÉèÖÃ
6.Ö§³ÖµØÍ¼ÏÔʾ¡¢Éó²é×°±¸ÐÅÏ¢¡£¡£¡£¡£¡£¡£¡£¡£
7.Ö§³ÖÊý¾ÝÇúÏ߯ÊÎö
8.Ö§³ÖÊý¾Ýµ¼³ö±í¸ñÐÎʽ
9.Ö§³ÖÊý¾Ýת·¢£¬£¬£¬£¬£¬£¬£¬£¬HJ-212ÐÒ飬£¬£¬£¬£¬£¬£¬£¬TCPת·¢£¬£¬£¬£¬£¬£¬£¬£¬httpÐÒéµÈ¡£¡£¡£¡£¡£¡£¡£¡£
10.Ö§³ÖÊý¾Ýºó´¦Öóͷ£¹¦Ð§
11.Ö§³ÖÍâÖÃÔËÐÐjavascript¾ç±¾